R16 Alta Groove Ball Ferens

Productums

R16

R16 gestus

Cixi YD Ferens Co., Ltd.

Product Details

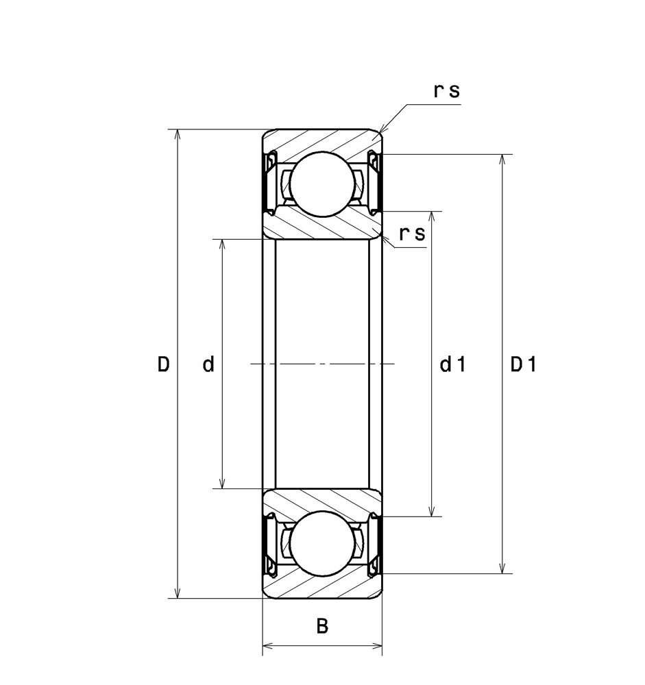
ZZ 2RS 2RZ 2RS1

Intus Diameter (mm); 25.4
Extra diametrum (mm); 50.8
Ordo globuli: uno ordine
Internum Clearance: CN (Latin)
Slot & Snap Ring: no
Materia anulus: Chrome Steel
Flange: no
Elementum Rolling Material: Chrome Steel
Sigillum: ZZ
Materia cavea: Sheet Steel
Set plena completio Ball: no
Productum pondus: 0,002Kg

Related Products

Cixi YD Ferens Co., Ltd.

NUNTII CENTER

Quomodo superficies curatio technologiae corrosionem resistentiam gestuum annulorum auget?

Post annos progressus; annulos portantes Facti sunt necessariae cardinis componentis in machinatione rotanda, eorumque qualitas et effectus d...

Quomodo superficies curatio technicae artis meliores gerunt resistentia gestuum annulorum

Ut magna pars machinae rotationis, taedium resistentiae anulorum ferendi crucialit ad stabilem operationem et servitium vitae gestuum. Ut ad mel...

Quem impulsum calor processus curationi habent in executione annulorum portandi?

Processus curationi caloris munus vitale exercet in fabricando annulos portantes quae duritiem, fortitudinem, resistentiam et alia gestandi a...

Quem impulsum habet processus cudendi in perficiendo annulos gerendi?

Processus fictus munus vitale exercet in faciendo annulos portantes qui anulos gestantes afficit. Vim et duritiem amplio annulos gerendi A...

Quae sunt effectus curatio superficiei in gestus annulos?

Superficies curatio munus vitalis in the agit anulus portans processus fabricandi, qui directe afficit frictiones, gestationes, corrosi...

Quod impulsum materialis lectio in gestus annulos habent?

Materia lectio est aspectus crucialus in consilio et fabricando annulos portantes . Diversae materiae diversae sunt notae, quae directe...

Quae sunt elementa quae onus sustinendi capacitatem anuli ferendi afficiunt?

In agro machinae industriae; annulos portantes magnae sunt partes quae sustinent et onera ferunt, eorumque capacitas oneris ferentium d...

socium
socium
socium
socium
socium
socium